O Brasil possui uma grande diversidade de padrões de atendimento elétrico em sistemas de baixa tensão. Dependendo da concessionária e da região do país, é comum encontrar redes 127/220 V, 220/380 V, 110/220 V ou 120/240 V, além de diferentes configurações monofásicas, bifásicas e split-phase.
Essa diversidade histórica de topologias de rede cria um desafio técnico para o mercado de geração distribuída, pois muitos equipamentos são desenvolvidos para operar em apenas um ou dois padrões específicos de tensão.
Na prática, isso significa que integradores frequentemente precisam selecionar inversores diferentes para cada tipo de rede, o que aumenta a complexidade dos projetos, dificuldade de encontrar o produto correto no mercado, dificulta a padronização das instalações e amplia a necessidade de diferentes modelos de equipamentos em estoque.
Nesse contexto surge o inversor híbrido multi-rede da PHB, desenvolvido justamente para atender essa diversidade de redes elétricas presentes no Brasil. O equipamento foi projetado para operar em diferentes padrões de tensão e topologias de alimentação, permitindo que um único inversor seja configurado para múltiplos arranjos elétricos encontrados no campo.
Entre as configurações possíveis estão redes split-phase (120/240 V ou 127/254 V), bifásicas 127/220 V e monofásicas 220 V (tanto fase-neutro quanto fase-fase), ampliando significativamente a flexibilidade de aplicação do sistema fotovoltaico.
Na prática, essa característica simplifica o trabalho do integrador, reduz a necessidade de múltiplos modelos de inversores e permite que o mesmo equipamento seja utilizado em diferentes regiões do país com redes de características distintas.
Visando facilitar a vida do integrador, a plataforma de vendas da PHB pode ser selecionado o tipo de rede utilizado e o inversor já será enviado com essa configuração, reduzindo o tempo de instalação.
Veja o grande diferencial, em apenas um equipamento, você possui a flexibilidade de ligação em diversos tipos de rede, o que geralmente no mercado, é feito utilizando modelos de inversores diferentes, geralmente padrão europeu ou americano.

É muito importante que na plataforma de vendas da PHB seja selecionado o tipo de rede, que assim o inversor já sairá configurado corretamente para o integrador, reduzindo o tempo de instalação, basta informar qual o tipo de rede, que pode ser facilmente identificada assistindo o vídeo do youtube disponibilizado ao final desse artigo.
Além disso, a explicação detalhada de cada tipo de rede também é disponibilizada, com o intuito de levar esse conhecimento ao integrador para os diferentes tipos de redes disponíveis no sistema de distribuição do Brasil.
A PHB fornece o kit fotovoltaico completo para o integrador, contendo: quadro de distribuição e proteção CA com bypass (facilita a manutenção do inversor sem causar transtornos ao cliente), quadro de distribuição cc das baterias (permite conexão com barramento, quando temos mais que uma bateria no sistema), cabos de interligação das baterias (potência e comunicação) e o kit de aterramento fotovoltaico. Facilitando e reduzindo o tempo de instalação.

Além da compatibilidade com diferentes redes elétricas, o sistema híbrido também se destaca pela integração com armazenamento em baterias de lítio. A PHB possui em sua linha inversores que podem operar com baterias de baixa tensão (51,2 V) ou baterias de alta tensão (192 a 576 V), possibilitando diferentes arquiteturas de armazenamento dependendo da potência e da aplicação do sistema.
Esse conceito modular permite ampliar a capacidade energética conforme a necessidade da instalação, possibilitando desde aplicações residenciais até sistemas de maior porte que exigem maior autonomia energética.
O dimensionamento do banco de baterias segue conceitos energéticos relativamente simples, baseados na relação entre potência e tempo de operação. A energia necessária no armazenamento pode ser estimada pela relação Energia (kWh) = Potência (kW) × tempo (h), enquanto a autonomia do sistema depende diretamente da capacidade energética disponível no banco de baterias.
Nesse contexto, parâmetros como SOC (State of Charge) e DoD (Depth of Discharge) são fundamentais para compreender o comportamento do sistema de armazenamento, indicando respectivamente o nível de carga disponível e a fração da energia total que pode ser utilizada durante a operação.
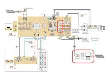
Outro recurso técnico relevante do inversor híbrido é a presença da chamada porta SMART, uma interface flexível que amplia as possibilidades de integração energética do sistema. Essa porta pode operar em diferentes modos, permitindo, por exemplo, a conexão de geradores auxiliares, a alimentação de cargas não prioritárias ou a integração com outros inversores em sistemas de microrrede.
Em aplicações práticas, essa funcionalidade possibilita o retrofit de sistemas fotovoltaicos já existentes, permitindo que inversores string ou microinversores instalados previamente sejam integrados ao sistema por meio de acoplamento em corrente alternada. A imagem a seguir mostra a operação dessa porta neste modelo de inversor.

A arquitetura de conexão das baterias também é um aspecto importante do projeto do sistema. Em configurações menores, pode ser utilizada a conexão direta em paralelo entre os módulos de bateria, conhecida como conexão “hand to hand”. Neste caso a conexão é utilizada na linha ES G2 (até 160 A).

Já em sistemas de maior potência, a utilização de barramentos (bus bar) permite aumentar significativamente a capacidade de corrente do sistema e melhorar a distribuição elétrica, possibilitando a operação com correntes elevadas, essa conexão é utilizada na linha ESLD (até 720A).

A aplicação deste sistema híbrido permite diferentes modos de operação energética, adaptando o funcionamento do sistema às necessidades da instalação. Entre eles está o modo de autoconsumo local e também a injeção durante a noite. No qual a energia armazenada nas baterias é utilizada de forma inteligente para aumentar a simultaneidade entre geração fotovoltaica e consumo das cargas.
O sistema pode ser otimizado para utilizar as baterias para carregar e descarregar em momentos mais oportunos. Isso é uma excelente estratégia atualmente com o pagamento do fio B na injeção de energia de usinas fotovoltaicas GD II. Quanto menor a injeção na rede, melhor o retorno financeiro para o cliente, que irá armazenar essa energia nas baterias e evitar a injeção, aumentando sua simultaneidade.


Ao combinar flexibilidade de operação em diferentes redes elétricas, integração com armazenamento e recursos avançados de gerenciamento energético, os inversores híbridos multi-rede representam uma evolução importante na arquitetura dos sistemas fotovoltaicos.
Em um país com grande diversidade de padrões elétricos e crescente demanda por soluções com armazenamento de energia, equipamentos com essa versatilidade e que integram diversos modelos em um só, tendem a desempenhar um papel cada vez mais relevante na expansão da geração distribuída e na construção de sistemas energéticos mais flexíveis e resilientes.
Para ver mais detalhes deste produto e ter um pleno conhecimento das redes mais comuns existentes no mercado brasileiro, além de todas as aplicações técnicas dos inversores híbridos PHB, acesse o webnário completo pelo link abaixo e conheça todas as aplicações técnicas dos equipamentos.
Confira
As opiniões e informações expressas são de exclusiva responsabilidade do autor e não obrigatoriamente representam a posição oficial do Canal Solar.
Uma resposta
Prezados, excelente noticia que mostra como a geração solar está numa volúpia de desenvolvimento tecnógico estupenda, embora o nosso país, como sempre, se caracteriza por uma grande instabiidade jurídica devido aos lobbies das concessionárias e distribuidoras de energia. Cabe, então, aos associações representativas do setor lutar, arduamente, para evitar prejuízos e entraves que nos permitem classificar o Brasil como um nação muito estranha. Como um exemplo marcante e serve como paradigma do que fazer, citamos que a China o setor da geração solar foi responsável, pasmem! por 30% do crescimento de seu PIB. Engenheiro e porofessor. Whatsapp e tel: (21) 997716277.