A corrente reversa é um fenômeno que pode ocorrer nas instalações fotovoltaicas que empregam inversores centralizados, aos quais são geralmente conectadas muitas strings em paralelo. Esta situação é frequentemente encontrada em sistemas de minigeração de maior porte e nas usinas centralizadas, mas pode igualmente ocorrer em inversores de menor porte com strings conectadas a uma mesma entrada.
Em princípio, a corrente reversa só vai ocorrer quando as strings conectadas em paralelo possuem diferentes tensões de circuito aberto. Em situações normais esse problema não deve ocorrer, uma vez que as strings paralelas devem ter sempre o mesmo número de módulos (SMA, 2009) (VINTURINI, 2019).
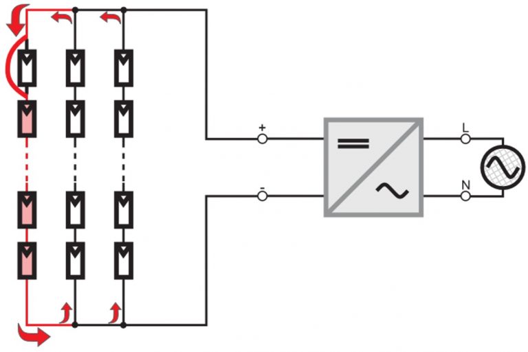
Sabe-se que o sombreamento dos módulos não tem efeito significativo sobre a tensão de circuito aberto. Na operação sem falhas de uma planta fotovoltaica corretamente dimensionada nenhuma corrente reversa excessiva pode ocorrer (SMA, 2009). A corrente reversa vai ocorrer em casos raros de sombreamento total de uma string (SPERTINO; AKILIMALI, 2009) ou, mais comumente, em caso de falhas que provocam curtos-circuitos nos módulos, reduzindo a tensão total de circuito aberto das strings, como ilustra a Figura 1.

Proteção contra a corrente reversa
A corrente reversa deve ser prevenida com o emprego de fusíveis em série com as strings. A aplicação de fusíveis é prevista na norma de instalações elétricas fotovoltaicas NBR 16690. Tipicamente a aplicação da orientação da norma determina que arranjos com três ou mais strings paralelas devem receber fusíveis em todas as strings.
Uma alternativa que chegou a ser considerada no passado foi o uso de diodos de bloqueio colocados em série com as strings. Teoricamente diodos dispensariam o uso de fusíveis ao evitar ou bloquear correntes reversas nas strings. Entretanto, de acordo com a norma IEC TS 62257-7-1: 2010, diodos de bloqueio são uma fonte de falhas e perdas energéticas e seu uso não é recomendado.
O uso do fusível série, normalmente alojado na stringbox, é a solução amplamente empregada nas instalações fotovoltaicas para evitar a corrente reversa. Mesmo com a presença de fusíveis há relatos de circulação de corrente e danificações de módulos, cuja causa provável é a falha na atuação dos fusíveis.
Corrente reversa causada pelo mismatch de tensão entre módulos
Além do grande número de strings paralelas, sistemas fotovoltaicos de minigeração e usinas de geração centralizada trabalham com tensões CC elevadas, com strings longas, que possuem um grande número de módulos conectados em série. Strings de alta tensão são interessantes porque simplificam a instalação, reduzindo o número de circuitos e consequentemente o custo com cabeamento.
O aumento do comprimento das strings – ou seja, do número de módulos ligados em série – em uma usina solar produz um problema conhecido como mismatch, que pode ser traduzido como incompatibilidade ou descasamento entre os diversos módulos da string. Podemos falar em mismatch de tensão, de corrente ou de potência.
Existe um mismatch de tensão natural devido a pequenas variações nas tensões de circuito aberto dos módulos que compõem as strings. Um descasamento ainda maior entre strings pode ocorrer em situações de sombreamento parcial ou iluminação não uniforme dos módulos, o que pode ocorrer principalmente pela passagem de nuvens ou por sujeira.
O mismatch de tensão entre strings poderia ser apontado como uma causa de circulação de corrente reversa em instalações fotovoltaicas. Todavia, o mismatch devido a causas que podemos chamar de naturais (diferenças de fabricação dos módulos, sombra ou sujeira) dificilmente seria capaz de produzir corrente reversa nos módulos.
Um interessante estudo conduzido pelo Instituto de Energias Renováveis da Coreia (SHIN et al., 2019) mostra o efeito do mismatch de tensão sobre um módulo fotovoltaico. Embora o experimento tenha sido realizado com apenas um módulo, as mesmas observações poderiam ser estendidas para uma string com qualquer número de módulos.
A Figura 2 mostra a configuração do experimento, que consiste na aplicação de uma fonte de tensão ajustável em paralelo com um módulo fotovoltaico. Uma fonte de luz artificial permitiu estudar o comportamento do módulo fotovoltaico sob diferentes níveis de irradiância solar. O resultado do experimento é mostrado na Figura 3. Os gráficos mostram a corrente reversa do módulo fotovoltaico em função da tensão aplicada sobre ele pela fonte externa para diferentes valores de irradiância solar.


A conclusão a que se chega pela Figura 3 é que um mismatch de tensão muito grande é necessário para ocasionar a circulação de corrente reversa significativa em um módulo fotovoltaico. A tensão de circuito aberto em STC do módulo usado no experimento é de 37,14 V. Em 1000 W/m2 a corrente reversa começa a circular a partir deste valor, como se vê no gráfico.
A corrente reversa alcança intensidade elevada, próxima ao valor de curto-circuito do módulo, apenas quando a tensão da fonte de alimentação é elevada para mais de 40 V. Os mismatches de tensão encontrados na prática devido à variação da irradiância solar ou sujeira são pequenos, insuficientes para ocasionar a circulação de uma corrente reversa perigosa, como mostra a Figura 4.

Outra hipótese que pode ser levantada sobre a originação de corrente reversa é quanto aos mismatches de tensão causados pela atuação dos diodos de bypass em situações de sombreamento parcial dos módulos. Uma segunda parte do experimento conduzido por (SHIN et al., 2019) mostra que mesmo com sombreamento parcial, quando poderia ocorrer o acionamento dos diodos de by-pass, a variação da tensão de circuito aberto do módulo continua pequena em relação ao valor nominal (em STC), conforme mostra a Figura 5.

Corrente reversa causada pela falha dos diodos de bypass
A pesquisa conduzida por (SHIN et al., 2019) investigou também as condições encontradas quando diodos de bypass falham. Diodos de bypass defeituosos normalmente correspondem a um curto-circuito permanente sobre as células do módulo fotovoltaico, o que reduz consideravelmente a tensão de saída do módulo.
A aplicação de tensão acima do valor da tensão de ruptura reversa tipicamente causa a danificação da junção e a fusão do componente, que passa a se comportar como uma chave permanentemente fechada. As causas mais comuns de danificação de diodos de bypass em usinas solares são o sobreaquecimento e a ocorrência de surtos de tensão devido a descargas atmosféricas próximas (DHERE et al., 2013).
O sobreaquecimento pode ser causado por sombreamento parcial do módulo por tempo prolongado ou pela especificação incorreta do diodo pelo fabricante. Falhas em diodos de bypass são um defeito comum nos primeiros 10 anos de operação das usinas solares (IEA-PVPS, 2017).
A Figura 6 mostra que conforme o número de diodos de bypass danificados em um módulo aumenta, menor é a tensão necessária para produzir a circulação de corrente reversa de grande intensidade. Com apenas um diodo danificado a corrente reversa já flui sobre o módulo com tensões ligeiramente acima de 25 V.
A Figura 7 ilustra as curvas de corrente e tensão (I-V) do módulo fotovoltaico com diodos de bypass danificados. A tensão de circuito aberto do módulo é reduzida de 30% a 90% de acordo com o número de diodos danificados. Isso explica por que a circulação de corrente reversa é potencialmente perigosa se houver alguma string com módulos defeituosos.


Os autores (SHIN et al., 2019) também avaliaram o efeito da falha de diodos de bypass em strings por meio de simulação computacional e experimentos realizados com 4 strings paralelas, cada uma com 15 módulos. Tanto na simulação como em campo foram realizadas experiências com o sombreamento de alguns módulos e com a situação de defeito dos diodos de bypass – situação esta obtida em campo a partir da remoção de alguns módulos da string.
Os resultados obtidos com as strings confirmaram as observações realizadas com os módulos, segundo as quais a corrente reversa raramente vai fluir em módulos fotovoltaicos íntegros, nos quais o diodo de bypass tem a possibilidade de entrar em operação. Por outro lado, quando há módulos com diodos de bypass em curto-circuito os mismatches de tensão entre as strings em circuito aberto tornam-se significativos e possibilitam a circulação de corrente reversa.
Conclusões
Vários fatores são determinantes para a ocorrência de correntes reversas perigosas em usinas solares: parada de funcionamento do inversor, presença de diodos de bypass defeituosos e existência de muitas strings ligadas em paralelo. O sistema fotovoltaico é menos suscetível à corrente reversa quando está em operação e as correntes das strings fluem para o inversor em vez de circular pela string defeituosa.
Uma string totalmente sombreada em um arranjo fotovoltaico pode sofrer corrente reversa, conforme explicam (SPERTINO; AKILIMALI, 2009) e (VARGAS; GOSS; GOTTSCHALG, 2015) – todavia, trata-se de uma condição muito rara. Os estudos computacionais e os experimentos realizados em (SHIN et al., 2019) mostram que mismatches causados por condições irregulares de iluminação (sombreamento parcial) não são a causa de correntes reversas significativas nas usinas solares. O fator preponderante para a ocorrência de correntes reversas é a presença de diodos de bypass defeituosos.
Os resultados apresentados neste artigo e outras fontes encontradas na literatura (VARGAS; GOSS; GOTTSCHALG, 2015) corroboram a ideia de que nenhuma corrente reversa relevante ocorre em sistemas fotovoltaicos em operação normal e com diodos de bypass íntegros, mesmo com sombreamento parcial.
Referências
- DHERE, N. G. et al. The reliability of bypass diodes in PV modules. Reliability of Photovoltaic Cells, Modules, Components, and Systems VI, v. 8825, p. 88250I, 2013.
- IEA-PVPS, R. Assessment of Photovoltaic Module Failures in the Field. [s.l: s.n.].
- SHIN, W. G. et al. Current flow analysis of pv arrays under voltage mismatch conditions and an inverter failure. Applied Sciences (Switzerland), v. 9, n. 23, 2019.
- SMA. Reverse Current – Advice on generator configuration for PV systems using Sunny Mini Central. p. 1–3, 2009.
- SPERTINO, F.; AKILIMALI, J. S. Are manufacturing I-V mismatch and reverse currents key factors in large photovoltaic arrays? IEEE Transactions on Industrial Electronics, v. 56, n. 11, p. 4520–4531, 2009.
- VARGAS, J. P.; GOSS, B.; GOTTSCHALG, R. Large scale PV systems under non-uniform and fault conditions. Solar Energy, v. 116, p. 303–313, 2015.
- VINTURINI, M. Causas e efeitos da corrente reversa nos módulos fotovoltaicos, Canal Solar, 11/08/2019
Uma resposta
Parabéns! Artigo excelente!