De acordo com a norma NBR 14039 – Instalações Elétricas em Média Tensão, uma cabine de média tensão (MT) deve ter os seguintes equipamentos de proteção, em função da capacidade instalada:
a) Capacidade instalada menor ou igual a 300 kVA
- Disjuntor acionado por relés com funções de proteção de sobrecorrente temporizadas e instantâneas de fase e de neutro (50/51 e 50N/51N), ou;
- Chave seccionadora e fusível, desde que tenha disjuntor geral de baixa tensão.
b) Capacidade instalada maior que 300 kVA
Nesta configuração é exigido que a proteção seja por meio de disjuntor acionado por relés secundários com funções 50 e 51 de fase e de neutro. Com o emprego de disjuntor na média tensão subentende-se a necessidade de um local apropriado para abrigá-lo, além dos componentes periféricos como relé, transformadores de corrente e de potencial.
Com o advento da resolução 482/2012 da ANEEL que trata dos agentes que operam no modo de compensação de energia, surgiu uma nova classificação de consumidores em micro e minigeração. Esta classificação é bem definida como:
- Microgeração: capacidade instalada de geração de até 75 kW;
- Minigeração: capacidade instalada acima de 75 kW e até 5 MW.
E dentro deste contexto é que as distribuidoras de energia no Brasil admitem várias concepções de configuração para a conexão de um cliente no sistema de média tensão, chamado A4. Percorrendo as diversas normas das concessionárias, observa-se que não há um consenso para uso de uma configuração comum, ainda que se preservem as características de cada região do país. Mas podemos destacar ao menos duas vertentes:
- Permitem o uso de chaves fusíveis na média tensão e;
- Exigem o uso de disjuntor na média tensão.
Outra questão importante é a respeito do sistema de medição de faturamento dos clientes A4. De acordo com a NBR 14039, a medição pode ser na baixa tensão se a capacidade instalada for de até 300 kVA. Acima deste valor, a medição deve ser na média tensão.
Assim, a localização do setor de medição é outro fator importante na configuração de uma cabine primária. Trataremos aqui dos aspectos de proteção utilizando as concepções típicas de 2 concessionárias para minigeração – Celesc e CPFL – de acordo com as suas normas técnicas:
- CELESC: I-432.0004 – Requisitos para a conexão de micro ou minigeradores de energia ao sistema elétrico da Celesc Distribuição
- CPFL: GED 15303 – Conexão de micro e minigeração distribuída sob sistema de dompensação de energia elétrica
Diagramas Referenciais
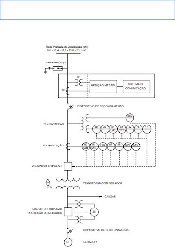
Para tratar das 2 configurações típicas são apresentados os esquemas adotados pela CELESC e pela CPFL, apresentados nas Figuras 1 e 2.


Comparações
Observando os diagramas, nota-se que as empresas já apresentam diferenças com relação à forma de classificação. Enquanto a Celesc trata em termos de potência aparente, a CPFL trata como potência ativa. A norma da Celesc não faz qualquer menção no texto quanto ao uso de chave fusível no lado de média tensão, mas a configuração adotada indica o uso de chave fusível (Figura 1).
Por outro lado, a CPFL não permite o uso de chave fusível entre o ponto de conexão e a geração, baseada na norma técnica GED 33 (Ligação de Autoprodutores em Paralelo com o Sistema de Distribuição da CPFL), item 6.1: “…Ressalva-se que não é permitido o uso de fusíveis nem de seccionadores monopolares entre o interruptor de entrada e o gerador, ou geradores.” Este requisito é ratificado na configuração mostrada na Figura 2.
A mesma restrição é também exigida pelo Módulo 3 do Prodist, seção 3.3: “5.4.8 Não devem ser utilizados fusíveis ou seccionadores monopolares entre o disjuntor de entrada e os geradores.”
No entanto, este item não é evidenciado na seção 3.7 que trata dos procedimentos de micro e minigeração. Tratando-se especificamente das funções de proteção, particularmente sobre geração fotovoltaica, os diagramas mostrados nas Figuras 1 e 2 indicam que elas devem atuar nos respectivos disjuntores, apesar de algumas proteções poderem ser executadas pelos inversores.
A Tabela 1 apresenta as proteções exigidas pelo Módulo 3 e que podem ser habilitadas no relé e/ou inversores.
Tabela: Funções de proteção dos relés ou inversores
| Proteção | Função | Descrição | Habilitação | |
| Relé | Inversor | |||
| Convencional | 50/51 | Sobrecorrente de fase | X | |
| 50N/51N | Sobrecorrente de neutro | X | ||
| Complementares | 59N ou | Sobretensão de neutro | X | |
| 67N | Sobrecorrente direcional de neutro | X | ||
| 32 | Direcional de potência | X | X | |
| 25 | Sincronismo | X | ||
| 27 | Subtensão | X | X | |
| 59 | Sobretensão de neutro | X | X | |
| 46 | Desbalanço de corrente | X | ||
| 47 | Desbalanço de tensão | X | ||
| 51V | Sobrecorrente com restrição de tensão | X | ||
| 67 | Sobrecorrente direcional de fase | X | ||
| 78 | Medição de ângulo de fase | X | ||
| 81 O/U | Sobre e sub frequência | X | X | |
| s/n | Anti-ilhamento | X | ||
Quando as proteções são executadas pelos relés, há necessidade de instalação de transformadores de corrente (TCs) e de potencial (TPs) instalados adequadamente para detectar sinais no lado de média tensão. Por exemplo, a função 59N exige o uso de três TPs no lado de média tensão, bem como as funções de sobrecorrente necessitam de 3 TCs.
Essas necessidades implicam na existência de um ambiente adequado, ou seja, uma cabine de média tensão. De uma forma geral, a Tabela 2 apresenta as principais características entre as configurações das duas concessionárias.
Tabela 2: Características das configurações de cabine primária para duas concessionárias
| Dispositivo | Celesc | CPFL | |
| P ≤ 300 kVA | P > 300 kVA | P > 75 kW | |
| Chave fusível na MT | Sim | Sim | Não |
| Disjuntor na MT | Não | Sim | Sim |
| Atuações das Proteções | BT | MT | MT |
Verifica-se que a CPFL, para qualquer minigeração, exige o uso de disjuntor de MT.
Comentários
Este artigo tratou de configurações adotadas por duas concessionárias e as duas linhas de configurações sofrem ainda variantes em algumas concessionárias. Pode-se dizer que a configuração adotada pela CPFL é semelhante à da Elektro e à da Roraima Energia. Já a configuração adotada pela Celesc, com algumas variações, é seguida pela Copel e pela Cemig.
Na Copel e na Cemig existem variações com relação ao uso de inversores e em função da potência e do tipo de subestações. De toda forma, essas variantes afetam a especificação da cabine, refletindo no custo de implantação da usina. Em se tratando de geração fotovoltaica, seria oportuno que houvesse um mesmo procedimento entre as concessionárias e algumas otimizações poderiam ser avaliadas:
- Uso de chaves fusíveis na MT, com recurso de abertura simultânea entre as fases;
- Em situações em que não há espaço para construção ou instalação de cabine primária, avaliar a possibilidade de uso de religadores em poste e de medição ao tempo;
- Tele-proteção entre as proteções da distribuidora e as proteções da usina (relé e/ou inversores).
Bibliografia
- NBR 14039 – Instalações elétricas de média tensão
- Prodist Módulo 3
- Resolução 482/2012 – ANEEL
- GED 33 – Ligação de Autoprodutores em Paralelo com o Sistema de Distribuição da CPFL
- GED 15303 – Conexão de Micro e Minigeração Distribuída sob Sistema de Compensação de Energia Elétrica – CPFL
- I-432.0004 – Requisitos para a Conexão de Microo ou Minigeradores de Energia ao Sistema Elétrico da Celesc Distribuição – CELESC
- DT – DTE 01/NT 001 Acesso de Micro e Minigeração Distribuída na Rede de Distribuição da Roraima Energia
- NTC 905200 – Acesso de Micro e Minigeração Distribuída ao Sistema da Copel (com compensação de energia)
- ND 5.31 – Requisitos para Conexão de Acessantes Produtores de Energia Elétrica ao Sistema de Distribuição da Cemig D – Média Tensão
Respostas de 6
O meu caso é uma cabine simplificada de 300kVA Poste único e a concessionaria aprovou o sistema de geração em média tensão, mas com algumas resalvas de regularização.
se possivel me ajudar agradeço…
Avredito que é o mesmo procedimento…
Neste caso também serveria para a EDP São Paulo/SP.
Ótimo artigo, estou estudando a norma Selesc : I-432.0004 e me ajudou bastante estes esclarecimentos.
Agradecemos o reconhecimento, Eduardo!
Parabéns e obrigado pelo artigo!
Oi boa noite já estou na espectativa do treinamento